桃園市透天拍賣

591廠房,591桃園廠房,桃園廠房
桃園廠房,桃園廠房出租,桃園工業地
最後更新:15小時內
房屋基本資料
案名 平鎮區新榮路338號2層樓 案號 114同89285
地址 桃園市平鎮區新榮路338號2層樓
銷售狀態 待標中 售價
售1154萬售923萬
房屋類型法拍透天 總登記坪數 40.7 坪
格局 屋齡 46年
每坪單價 22.68萬/坪 公設比
車位 座向
無障礙環境 法拍屋 本物件是法拍屋
拍次 : 第三拍
開標日期 : 115/06/09
建物所在樓層 2層樓 管理費
管委會 中庭
電梯 未知 是否為凶宅
300公尺內嫌惡設施 面前道路
面寬 縱深
邊間 房屋銷售來源 不動產經紀人/專業仲介
房屋特色

▲拍賣公告:桃園法院
▲拍賣標的物:桃園市平鎮區新榮路338號2層樓
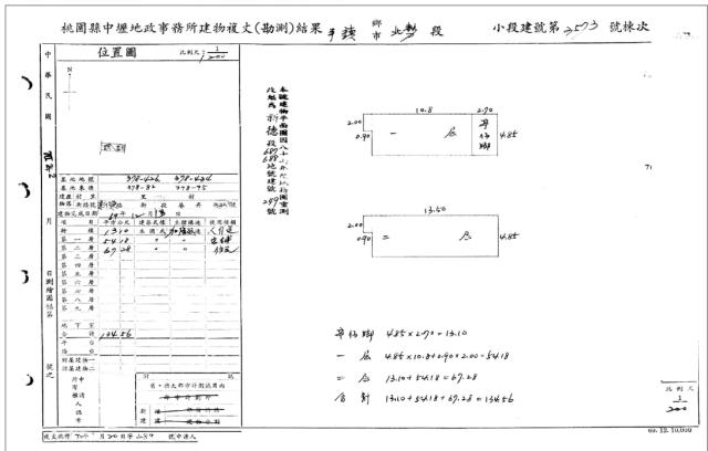
▲【謄本資料】:總坪數40.70坪主建坪36.74坪,附屬坪3.96坪,另增建坪9.23坪
▲【法院筆錄】:1‧本件標的於114年9月3日履勘及測量,債務人兒子在場稱不動產係債務人與家人居住使用。
鑑定報告記載堪估標的建物部分內牆及天懸板有壁癌及水漬,部分天花板水泥剝落,鋼筋外露。
2‧拍定後依現況點交。
▲【生活機能】:
▲【拍次說明】:
標售拍次(目前拍次底價):
第一拍底價:1443萬
第二拍底價:1154萬
第三拍底價:923萬
拍賣日期:115/06/09
▲台北∣新北∣桃園∣新竹
★Houseinfo:http://www.xn--ogt54mdnjqrqpix.tw/
▲【代標服務】
<過濾案件>追蹤拍賣日期...
<評估案件>投標全場陪同及標價最後建議...
<包辦交屋>與法院協商現住人交屋事項...
<代墊尾款>辦理銀行代墊及投標尾款手續...

※此案件為法拍屋無法看屋,實際狀況以法院筆錄為主。
詳細資訊了解請撥李小姐(02)8260-2416|0986-508652
財欣不動產管理顧份有限公司【統一編號】28306523
坪數說明
建物登記總坪數 40.70 土地登記總坪數 27.94
主建物坪數 36.74 停車位坪數
附屬建物坪數 3.96 公共設施坪數
增建坪數 9.23 地下室坪數
周邊環境
生活機能 鄰近交通
鄰近地標 公園綠地
鄰近學區 捷運站
房屋聯絡人資訊
聯絡人姓名 李小姐
(煩請告知聯絡人,您是在House-Info房屋網看到這則廣告,真摯感恩您的幫忙)
手機
0986-508-652
電子信箱
Skype通話 Line加入好友 Line加入好友
所屬公司名稱 財欣不動產管理顧問有限公司/統編2830 6053
公司電話 聯絡電話:02-82602416 / 0986508652 公司傳真
公司地址 新北市土城區金城路二段396號11樓/桃園市莊敬路一段346號4樓
網 址 http://www.精選法拍屋.tw
贊助商廣告
大桃園廠房,大桃園工業地,大桃園工業地廠房
桃園廠房出租,桃園工業地,桃園廠房工業地
桃園平鎮法拍透天-1
桃園平鎮法拍透天-1
桃園平鎮法拍透天-2
桃園平鎮法拍透天-2
桃園平鎮法拍透天-3
桃園平鎮法拍透天-3
桃園平鎮法拍透天-4
桃園平鎮法拍透天-4
觀看地圖

桃園市透天拍賣-桃園市平鎮區新榮路338號2層樓-透天

物件留言
請注意,如果您詢問的內容與物件不相符合或是廣告,經過審核,系統將會直接刪除您的發問內容
等待圖示
檢舉物件不實
等待圖示
黃金曝光
相似物件
www.house-info.idv.tw房屋網免責聲明:本系統為租用式開放房屋買賣網站建置平台,僅提供會員查詢-桃園市透天拍賣-等房屋資訊參考,並不涉入任何諮詢、交易。 物件(服務)聯絡人公佈的資訊、文字、照片、圖形、產權、廣告內容、或其他資料若有不實或違法情事,或與客戶聯絡交易過程中若衍生民事或刑事等法律問題,皆與本房屋網站無關,所有商標、文章、名稱等版權,皆歸屬原著作者所有! ●電話:07-7963288