新北大樓法拍
07-7963288
客服電話
申請房仲網站
首頁
房屋租售
土地租售
法拍屋資訊
廠房租售
房仲
大樓社區
委託買賣
關鍵字
現在位置:
首頁
›
法拍屋資訊
›
新北法拍大樓
›
三重法拍大樓
›
新北大樓法拍-新北市三重區忠孝路二段116號5樓-5
最後更新:16小時內
檢舉物件不實
│
列印
│
物件留言
|
觀看地圖
新北大樓法拍
新北大樓法拍
房屋基本資料
案名
三重區忠孝路【阿利阿多】近三重高商、二重國小、果菜市場
案號
115/01/15 (四) 09:30
地址
新北市三重區
忠孝路二段116號5樓-5
社區/大樓
三重-阿利阿多
銷售狀態
待標中
售價
售1120萬
房屋類型
法拍大樓
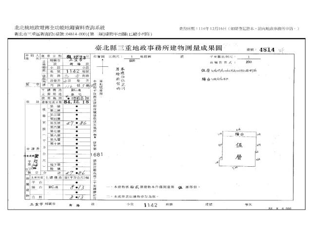
總登記坪數
22.87 坪
格局
0房
屋齡
30年
每坪單價
48.97萬/坪
公設比
車位
沒有車位
座向
無障礙環境
有
法拍屋
本物件是法拍屋
拍次 : 第1拍 點交
開標日期 : 2026/01/15 (四) 09:30
建物所在樓層
5樓/共12樓
管理費
管委會
有
中庭
沒有
電梯
有
是否為凶宅
300公尺內嫌惡設施
面前道路
面寬
縱深
邊間
房屋銷售來源
不動產經紀人/專業仲介
房屋特色
【法院筆錄內容】
1‧本件查封時,大門深鎖,據該棟大樓總幹事稱該屋目前無人居住使用,無增建,無足以影響交易之特殊情事。本件拍定後點交。
2‧另依鑑價報告所載,本件標的經初步調查無海砂屋、輻射屋、地震受創、火災受損或非自然死亡等情形,惟若有因調查限度難以查明,致與鑑價報告內容所載容有出入者,請應買人逕向相關單位洽詢查明,綜合考量相關風險再行投標。
3‧遺留於本件標的內之動產,因屋內動產並不在拍賣範圍內,如拍定後仍遺留有價值之遺留物在現場,本院尚須依強制執行法第100條之規定命拍定人保管遺留物、拍照、造具遺留物清冊陳報法院、限期債務人領回、鑑價、詢價、拍賣等,需耗費相當時日,請投標人注意,評估後再行投標。
4‧本件拍賣之4814建號建物登記謄本有本建物尚有部分佔用鄰地未登記之一般註記事項,請應買人審慎評估再行投標。
5‧若有停止、撤回、撤銷、延緩強制執行之事由,而其事由確實發生於本案標的拍定日或拍定日前,縱已拍定,本院亦得撤銷拍定,無息返還已經繳交之款項,應買人、拍定人、債權人、債務人均不得異議,不同意之應買人請勿參與本件標的之應買。
6‧本件標的物原所有權人或使用人如有積欠工程受益費及水電、瓦斯或管理費等費用,應由拍定人自行查明後與相關單位洽商解決。
《清償債務》
【保證金】
224萬
【拍賣履歴】
一拍2026/01/15底標價格1120萬
二拍底標價格896萬
三拍底標價格716.8萬
四拍底標價格573.4萬
【焦點法拍履歴】
👩🏻⚖️從業二十年以上經驗|競競業業|正派經營
🎯投標準備⇥法拍流程說明|標單填寫|案件現場勘查有無特殊情事|成本評估分析
💰銀行貸款⇥法拍物件估價|投標人財力評估|銀行代墊款協助辦理|最高八成
🏡拍定得標⇥強制執行書狀、履勘陳報書狀往返|債務人搬遷協商|遺留物造冊查估
🎁委託代標⇥免費|委託代標未得標⇥免費
🏢鑫創資產管理有限公司
顏麗杏0911-965339營業員證號:(101)登字第212862號
連真甄0909-031993營業員證號:(101)登字第192002號
更多物件☞焦點法拍
經紀人李彥槿:109北市經證字第02110號
坪數說明
建物登記總坪數
22.87
土地登記總坪數
2.75
主建物坪數
14.48
停車位坪數
附屬建物坪數
2.46
公共設施坪數
5.93
增建坪數
地下室坪數
周邊環境
生活機能
鄰近交通
鄰近地標
近捷運菜寮站、機捷三重站、二重國小、三重三重高商、三重果菜市場
公園綠地
鄰近學區
捷運站
菜寮
房屋聯絡人資訊
聯絡人姓名
小顏
(煩請告知聯絡人,您是在House-Info房屋網看到這則廣告,真摯感恩您的幫忙)
手機
0911-965-339
電子信箱
Skype通話
Line加入好友
所屬公司名稱
鑫創資產管理有限公司
公司電話
公司傳真
公司地址
新北市新莊區中環路二段423號一樓
網 址
http://www.1314home.tw
贊助商廣告
新北三重法拍大樓-1
新北三重法拍大樓-2
新北三重法拍大樓-3
新北三重法拍大樓-4
新北三重法拍大樓-5
新北三重法拍大樓-6
新北三重法拍大樓-7
新北三重法拍大樓-8
新北三重法拍大樓-9
新北三重法拍大樓-10
觀看地圖
到Google查看地圖
到Google查看街景
新北大樓法拍-新北市三重區忠孝路二段116號5樓-5-大樓
物件留言
請注意,如果您詢問的內容與物件不相符合或是廣告,經過審核,系統將會直接刪除您的發問內容
檢舉物件不實
黃金曝光
復興路268號12
大樓_套房_華新市場商圈 / 1房
8.54坪
435萬
學勤路637號2樓
大樓 / 4房
64.02坪
1920萬
中興街204號14
大樓 / 3房
42坪
1827萬
西盛街344巷11
大樓
46.9坪
1307萬
相似物件
水源街二段177巷
大樓 / 3房
47.64坪
售1113萬
安祥路69巷54弄
大樓
37.41坪
售1299萬
水源街二段177巷
大樓
48.92坪
售1068萬
新市三路二段279
大樓 / 3房
40.53坪
售1071萬
www.house-info.idv.tw房屋網
免責聲明:本系統為租用式開放房屋買賣網站建置平台,僅提供會員查詢-
新北大樓法拍
-等房屋資訊參考,並不涉入任何諮詢、交易。 物件(服務)聯絡人公佈的資訊、文字、照片、圖形、產權、廣告內容、或其他資料若有不實或違法情事,或與客戶聯絡交易過程中若衍生民事或刑事等法律問題,皆與本房屋網站無關,所有商標、文章、名稱等版權,皆歸屬原著作者所有! ●電話:07-7963288
三重法拍華廈
│
三重法拍電梯大廈
│
三重法拍電梯大樓
│
三重法拍大樓
│
三重法拍大廈
│
三重法拍電梯華廈
│
三重法拍透天別墅
│
三重法拍透天厝
│
三重法拍公寓
│
三重法拍店面
│
三重法拍套房
│
三重法拍廠房
│
三重法拍辦公室
│
三重法拍豪宅
│
三重法拍樓中樓
│
三重法拍農舍
│
三重法拍廠辦
│
三重法拍雅房
│
三重法拍倉庫
│
三重法拍工業廠房
│
三重法拍透天
│
三重法拍中古屋
│
三重法拍別墅
│
三重法拍電梯別墅
│
三重法拍透天店面
│
三重法拍屋
│
三重法拍房屋
│
三重法拍房子
請注意:此案件已下架
資料處理中,請稍後...